※可搬重量:~1Kg(9.8N)
センサー付き (030317 D2JW-011-MD)
配線:黒 (COM) 青 (NO) 赤 (NC)
ご注文後90日程度、納期がかかります。揃い次第の発送となりますので 先行発送が必要なパーツがございます場合は、分けてご注文願います。
関連商品
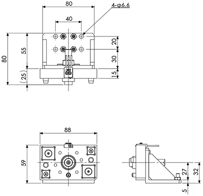
ネオチャックハンガー・ツール側
コード: 196727
規格: TNE-SLI
重量: 115.00g
ポイント対象
在庫: 在庫あり
※可搬重量:~1Kg(9.8N)ご注文後90日程度、納期がかかります。揃い次第の発送となりますので 先行発送が必要なパーツがございます場合は、分けてご注文願います。..
¥19,800円
