特徴 ●独自の離脱機構搭載です。(特許第4126074号)
●フェールセーフ機構内蔵です。
●ピストンの動作確認センサーが取付可能 (OP)
仕様 ●取付位置:ロボット側
●可搬重量(Kg):~ 120
●使用空気圧:0.5~0.7Mpa
●クランプ/アンクランプ構造:複動型
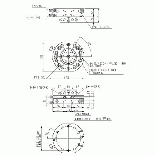
●クランプ/アンクランプ配管(mm):外径 ф6
●配管接続(mm): 8-Rc 1/4
●取付ネジ(mm):6-M10
●取付ピッチ(mm):P.C.D 125 (60°等配)
●位置決めピン用穴(mm):4-ф10
●位置決めピン用穴ピッチ(mm):125
多関節用ツールチェンジャー・ロボット側
- コード: 140373
- 規格: OX-120A
- 重量: 3,671.00g
- 在庫: 在庫あり
-
¥170,000円
- 使用可能ポイント: 170000
オプション:
1859

